OUR PRODUCTS
一、概述
FHB系列工程塑料泵是化工部引进项目和“七五”重大科技成果,是在消化吸收引进设备技术的基础上研制而成的。该泵是单级、单吸、托架式、卧式离心泵,该泵过流部件采用超高分子量聚乙烯(UHMWPE)制作,其耐腐蚀性能优良,耐磨性能优异耐冲击性能强,安装维修方便,使用寿命长等特点,是一种能适应各种不同工况,各种酸、碱类的清液、料浆均能输送的多种功能泵,特别在有色,稀贵金属冶炼行业和硫酸行业使用,其性能十分突出。
二、性能参数
1、型号:FHB
2、特点:耐腐耐磨,一泵多用,酸碱类清液料浆均适用。
3、结构:
(1)a、泵体为超高分子量聚乙烯。
b、泵体为钢衬高分子聚乙烯。
(2)叶轮分闭式、半开式二种。
(3)轴封:机封密封、动力密封、填料密封。
4、适用介质:浓度80%以下硫酸,50%以下的硝酸,各种浓度的盐酸,液碱,既适用清液也适用料浆。
5、主要技术参数:使用温度:-50~90°C
进口:Φ32-Φ250
流量:5-1000m3/h
扬程:70M以内
三、适用范围
1、有色金属冶炼业:特别适用于铅、锌、金、银、铜、锰、钴、稀土等湿法冶炼中的各种酸液腐蚀性矿浆,料浆(压滤机配用),电解液,污水等介质输送。
2、硫酸磷肥业:稀酸、母液、污水、海水、含硅胶的氟硅酸、磷酸料浆等介质输送。
3、化工有其它的企业:各种硫酸、盐酸、碱性、油类的清液或料浆岗位。
4、氯碱业:盐酸、液碱、电解液等。
5、水处理行业:纯水、高纯水、污水(皮革、电镀、造纸、纺织、食品、生活、制药业等)。
6、钢铁企业:酸洗系统的硫酸、盐酸岗位,带杂质的污水。
7、化纤业:酸站配备等。
8、钛白粉行业:酸解、沉降、冷冻、水洗、盐处理等。
四、型号义说明
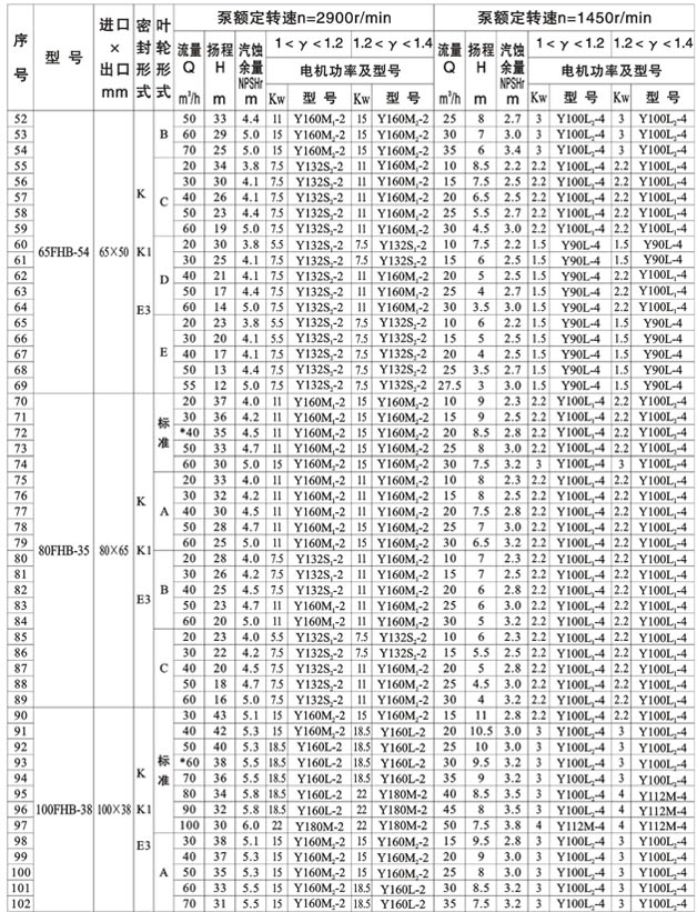
五、性能指标
六、外形及安装尺寸
七、使用方法和维护须知
安 装
(1)安装进口管路时,管道中间不能有向上拱曲现象,以免管道内产生气囊而影响泵的性能。
(2)安装泵时,与泵联接的管道应进行清理。
(3)泵在吸上工况下使用时,泵的出口必须装出口阀门;泵在倒灌工况下使用时,泵的进出口都必须装阀门。泵的进口及出口尽量安装管道补偿器,以便于维修。
启 动
(1)检查泵的运转方向是否正确,当检查电动机转向时,切勿联接联轴器,否则反转可能会损坏叶轮和泵体,须确认转向正确后再联接联轴器。
(2)给泵的轴承座内注人润滑油,至油标的水平中心位置。为了保持油的清洁和良好的润滑,应定期更换新油。一般情况,每运转1500小时后,要全部更换新油一次,润滑油首选用N46号机械油。
(3)用手转动联轴器,感觉应轻松且轻重均匀,并注意辨别泵内有无摩擦声及异物滚动等杂音,如有则应设法排除。
(4)倒灌工况时,打开进口阀供给液源,吸上工况时,必须先将泵内灌满液体。
(5)接通轴封冷却水,启动电动机使泵运转,再打开出口阀(可开阀1/4启动)。
运 转
(1)要经常检查泵和电动机的温升情况,轴承的温升不应大于40℃,极限温度不大于90℃,对于B级绝缘电动机,环境温度为40℃时的温升为90℃,允许极限温度为130℃。
(2)不能以进口阀调节泵流量,以免引起气蚀。
(3)当泵的装置扬程小于泵的额定扬程时,必须关小出口阀门,使流量达到额定值,若出口阀门全开,则流量会大于额定值。
(4)在运转过程中,如发现有不正常声音或其它故障时,需立即停车检查,待排除故障后才能继续运转。
(5)动力密封安装陶瓷轴套,运转过程中不宜直接用冷却冲洗,以免轴套温度骤步而开裂机械密封需要冷却水时,应先开通冷却水,再启泵,冷却水应直观,以免缺水时不便发现,多台泵集中使用时,冷却水不宜串用。
(6)C2,C3型机械密封的泵在长时间不运转情况下,动、静环会粘结,盘车不动,此时不能强行启动,造成部件损坏,应拆开动、静环,表面用油脂润滑后重新安装。
停 泵
(1)先关闭出口阀,然后切断电动机电源。
(2)关闭进口阀。
(3)停止供应轴封处的冷却水。
(4)保持泵机外部及环境的清洁,用水冲洗时、应防止电机受潮,冲洗后应用布擦净泵机上的水迹。
(5)停车后如环境温度低于液体凝固温度时,要放净泵内的液体,以防冻裂。
(6)长期停止使用的泵,除将泵内的腐蚀性液体放净外,还要用清水冲洗干净。尤其是密封部件要认真冲洗干净并将泵的进出口封闭好,妥善保管。
